KNOW HOW :Elektrischer Strom
Formelsammlung der Elektrotechnik
Formeln und Tabellen
Nachfolgend finden Sie einige ausgesuchte Formeln und Tabellen aus dem Bereich der Elektrotechnik. Das Gebiet der Elektrotechnik ist sehr weitläufig, deswegen kann nur ein kleiner Teil der interessanten Formeln und Tabellen hier dargestellt werden.Elektrischer Widerstand - Ohmsches Gesetz (Gleichstrom)

|
I = Strom in Ampere U = Spannung in Volt R = Widerstand in Ohm |

Der Strom I ist umso größer, je größer die Spannung U und je kleiner der Widerstand R ist. Eine elektrische Spannung von 1 Volt läßt einen STrom von 1 Ampere durch einen Widerstand von 1 Ohm fließen.
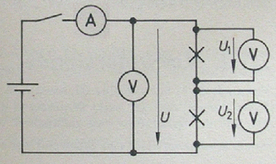
Reihenschaltung

| U = U1 + U2 + ... |
U = Spannung in Volt |
| R = R1 + R2 + ... | R = Widerstand in Ohm |
In der Reihenschaltung fließt überall derselbe Strom.
|
U = Spannung in Volt R = Widerstand in Ohm |
Anmerkung: Elektrogeräte können durch vorschalten eines Widerstandes an eine höhere Spannung als ihre Nennspannung gelegt werden.
Parallelschaltung

| I = I1 + I2 + I3 + ... |
I = Strom in Ampere |
| R = Widerstand in Ohm |
An parallel geschalteten Verbrauchern liegt dieselbe Spannung.
|
I = Strom in Ampere R = Widerstand in Ohm |
Elektrische Leistung
| Gleichstrom : | P = U * I |
P = Leistung in Watt U = Spannung in Volt I = Strom in Ampere |
|---|
Die Leistung eines Gleichstromes von 1A bei einer Gleichspannung von 1V ist 1 Watt (1W).
| Wechselstrom : (Wirkleistung) |
P = U * I * cos φ |
P = Leistung in Watt U = Spannung in Volt I = Strom in Ampere cos φ = Phasenverschiebungswinkel |
|---|
Der Phasenverschiebungswinkel, auch Leistungsfaktor genannt, gibt an, wie hoch der Anteil der Wirkleistung an der Scheinleistung S (S = U * I) ist.
Der Unterschied zwischen Gleich- und Wechselstrom ist eine mögliche Phasenverschiebung beim Wechselstrom. Der Phasenverschiebungswinkel ist hierbei abhängig vom verwendeten Verbraucher.
| Drehstrom : | P = √3 * U * I * cos φ |
√3 = Wurzel aus 3 ca. 1,732 P = Leistung in Watt U = Spannung in Volt I = Strom in Ampere cos φ = Phasenverschiebungswinkel |
|---|
Formel nur für Wirkleistung bei symetrische Belastung.
Bei gleichmäßiger (symetrische) Belastung ist der Mittelleiter (Nulleiter) stromlos.
Elektrische Arbeit
| W = P * t |
W = Arbeit in KiloWattStunden KWh P = Leistung in KiloWatt t = Zeit in Stunden |
Die handelsübliche Größe für elektrische Arbeit ist KWh.
Kennfarben Schmelzsicherungen
| Nennstrom in A | 2 | 4 | 6 | 10 | 16 | 20 |
|---|---|---|---|---|---|---|
| Kennfarbe | rosa | braun | grün | rot | grau | blau |
| Nennstrom in A | 25 | 35 | 50 | 63 | 80 | 100 |
| Kennfarbe | gelb | schwarz | weiß | kupfer | silber | rot |